|
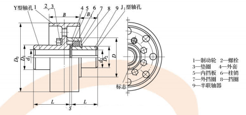
ZLL type with brake wheel elastic pin pin gear coupling referred to as "elastic pin pin gear coupling" through the elastic pin to transmit torque to achieve two and a half coupling connection, with a certain axis offset compensation ability and Shock absorption performance, can replace part of the gear coupling. ZLL type with brake wheel elastic pin gear coupling is simpler in structure and fewer components, making it easier to manufacture and without gear machining. ZLL type with brake wheel elastic pin gear coupling is a kind of pin coupling, made according to (GB/T5015-2003) standard; working temperature is -20 ~ 70 °C; axial allowable compensation It is: ±1.5~3mm; the radial allowable compensation is 0.3~1.5mm; the angular allowable compensation is 0.5°. ZLL type with brake wheel elastic pin gear coupling is the same as ZL type elastic pin gear coupling. The difference is that ZLL type adds a steel brake wheel to the original ZL type. Controlling the brake wheel adjusts the speed of the coupling. ![]() ![]() |



